bonjour
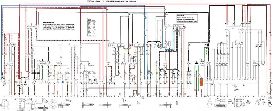
je recherche le shema elec pour modifier mon faiseau car je passe en carbu
merci
Shéma élec 1303 us injection
-
tonio78
- Membres confirmés
- Messages : 49
- Enregistré le : 22 juil. 2010, 14:04
- Votre German : 1303 cab, T3
- Moteur : T1 2276, sub 3.3
- Benoit
- Admin
- Messages : 6140
- Enregistré le : 14 sept. 2007, 00:21
- Votre German : Cox 1200 de 74
Bay Window de 78 - Moteur : Combi EJ25. Cox EJ20G
- Localisation : 74
Re: shema elec 1303 us injection
Quel dommage de retirer une injection...
- mexicox
- Membres confirmés
- Messages : 88
- Enregistré le : 16 oct. 2007, 16:54
- Votre German : 1303 Cab
- Moteur : 2366 T4
- Localisation : Saint Quentin 02
Re: Shéma élec 1303 us injection
les injections sur les 1303 us sont elles si peu fiable?? n y a t il pas moyen de les améliorer ??
- NiToOoOo
- Membres confirmés
- Messages : 164
- Enregistré le : 23 oct. 2008, 17:11
- Votre German : 1200 de 1974
- Moteur : T1 - 1641cc - en attente de préparation
- Localisation : 78
Re: Shéma élec 1303 us injection
Voilà monsieur...
-
tonio78
- Membres confirmés
- Messages : 49
- Enregistré le : 22 juil. 2010, 14:04
- Votre German : 1303 cab, T3
- Moteur : T1 2276, sub 3.3
Re: shema elec 1303 us injection
Benoit a écrit :Quel dommage de retirer une injection...
je sais bien mais j'ai une sonde qui avais été arracher et qui etait passée dans la turbine et du coup je passe en 2l1 en carbu
- dangerous
- Membres confirmés
- Messages : 1016
- Enregistré le : 04 oct. 2007, 22:18
- Localisation : NIZZA
- Contact :
Re: Shéma élec 1303 us injection
Les injections la dessus (des Djettronic ) font partie de la premiere "génération" d'electronique elle ont été en concurence jusqu'a il y peu par les mecanique (Kjet) tout de meme plus fiable
elle ne sont pas toujours simple a depanner du moins certain composant mais je n'ai jamais confronté personellement
j'ai plutot eut du classique (injecteus pompes ETC)
et puis les pieces sont pas toujours sous le coude bien que sur Samba il y ait un peu tout
La derniere Djet en panne qu'on ma demandé de depanné avait l'allumeur déssérer ...... des fois c'est pas tres dur
C'est pas grave pour etre amical il va nous mettre son injection qui ne lui sert plus dans la rubrique a vendre le tout a prix forum
serieusement contacte moi en mp je cherche des tole moteur de cab et autre bricoles
elle ne sont pas toujours simple a depanner du moins certain composant mais je n'ai jamais confronté personellement
j'ai plutot eut du classique (injecteus pompes ETC)
et puis les pieces sont pas toujours sous le coude bien que sur Samba il y ait un peu tout
La derniere Djet en panne qu'on ma demandé de depanné avait l'allumeur déssérer ...... des fois c'est pas tres dur
C'est pas grave pour etre amical il va nous mettre son injection qui ne lui sert plus dans la rubrique a vendre le tout a prix forum
serieusement contacte moi en mp je cherche des tole moteur de cab et autre bricoles
-
tonio78
- Membres confirmés
- Messages : 49
- Enregistré le : 22 juil. 2010, 14:04
- Votre German : 1303 cab, T3
- Moteur : T1 2276, sub 3.3
Re: Shéma élec 1303 us injection
merci bienNiToOoOo a écrit :Voilà monsieur...
Qui est en ligne
Utilisateurs parcourant ce forum : Aucun utilisateur enregistré et 1 invité