freinage bay 1974

Adaptation de gros freins ou amélioration de l'origine...
Répondre
olivier93
Membres confirmés
Messages : 188
Enregistré le : 13 oct. 2007, 07:56

freinage bay 1974

Message par olivier93 »

salut

je fais appel a vos avis car je dois refaire le freinage de mon bay

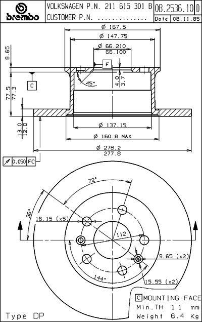
voila a l arriere je monte disque sharan 2.8 vr6 268x10 hauteur 46 avec une paire d'etrier golf trw diametre 32

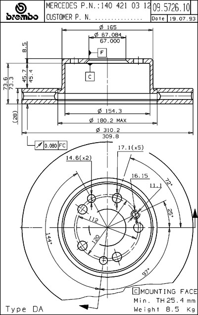
et a l avant je me tatai pour des disque mercedes w140 berline 300 3.2 231cv en 310x28 hauteur 82 avec une paire d'etrier brembo de 406 coupe v6


maitre cylindre d'origine

mon montage est il coerant?
qu'en pensez vous?

merci d'avance pour vos conseils
Avatar du membre
Alex
Admin
Messages : 3598
Enregistré le : 20 sept. 2007, 23:01
Localisation : Ouest de panam
Contact :

Re: freinage bay 1974

Message par Alex »

Taille des pistons av et ar?
olivier93
Membres confirmés
Messages : 188
Enregistré le : 13 oct. 2007, 07:56

Re: freinage bay 1974

Message par olivier93 »

Taille des pistons
Avant 4 pistons 38 et 42
Arriere 38
olivier93
Membres confirmés
Messages : 188
Enregistré le : 13 oct. 2007, 07:56

Re: freinage bay 1974

Message par olivier93 »

voici les plans des disques
Fichiers joints
disque merco
disque merco
disque d origine
disque d origine
Avatar du membre
Superflo
Membres confirmés
Messages : 2668
Enregistré le : 01 oct. 2007, 20:55
Votre German : 1303 de 75 evo8
Moteur : 2806cc T4 EFI
Localisation : 01 et 94

Re: freinage bay 1974

Message par Superflo »

Les etriers arrières sont trop petits à mon avis.
panelvan64
Messages : 2
Enregistré le : 24 mai 2019, 09:37

Re: freinage bay 1974

Message par panelvan64 »

bonjour olivier 93 est ce que ton montage a finit par ce réaliser?
Répondre

Qui est en ligne

Utilisateurs parcourant ce forum : Aucun utilisateur enregistré et 2 invités