Montage Brembo renault sur fusée à disque

Adaptation de gros freins ou amélioration de l'origine...
Répondre
Avatar du membre
Ludal
Membres confirmés
Messages : 57
Enregistré le : 30 janv. 2012, 21:43
Votre German : Cup 1200
Moteur : 2499 T4

Montage Brembo renault sur fusée à disque

Message par Ludal »

Bonjour tout le monde,

Suite à la réception d'un message perso à propos de mon montage de frein, je vais le détaillé comme ça si certain veulent la même chose! C'est un montage qui est relativement économique pour de la pièce neuve.

Pour commencer je suis parti avec des disques de 964 car j'en avais déjà une paire.

Ensuite des étrier pas très chere, des clio R3 terre, les même que des megane rs cup mais abaissé de 5mm. Je l'ai ai acheté 380 euros la paire avec un remise chez renault, livré complet avec des plaquettes brembo. Voici les référence : 7711160499 et 7711160498 (gauche et droit). Les pistons sont en 40mm
D'origine les étrier sont fixé avec des vis en m14, je trouvais ça trop gros, j'ai mis des bague épaulé pour mettre à la place des vis m10 en qualité 12.9.
Fichiers joints
les fusée à disque, sans aucune modif au niveau du support d'étrier
les fusée à disque, sans aucune modif au niveau du support d'étrier
Le moyeu de 944, réusiné sur l'extérieur pour passer à l'intérieur du disque de 964, 157mm de souvenir.
Le moyeu de 944, réusiné sur l'extérieur pour passer à l'intérieur du disque de 964, 157mm de souvenir.
Le montage assemblé. Il faut légèrement meuler la plaquette intérieur pour pas qu'elle touche le support d'étrier sur la fusée 3 ou 4 mm.
Le montage assemblé. Il faut légèrement meuler la plaquette intérieur pour pas qu'elle touche le support d'étrier sur la fusée 3 ou 4 mm.
IMG_0489.JPG
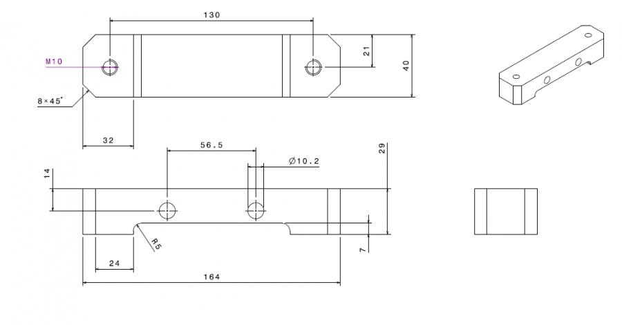
Le plan du support. Il y a une petite retouche à faire sur le support qui n'apparait pas sur le plan pour que la plaquette ne touche pas.
Le plan du support. Il y a une petite retouche à faire sur le support qui n'apparait pas sur le plan pour que la plaquette ne touche pas.
germandrag
Membres confirmés
Messages : 660
Enregistré le : 07 nov. 2007, 02:19
Localisation : rennes

Re: Montage Brembo renault sur fusée à disque

Message par germandrag »

extra , sympa la modif
Répondre

Qui est en ligne

Utilisateurs parcourant ce forum : Aucun utilisateur enregistré et 2 invités